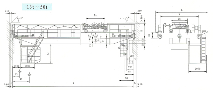
QD型電動雙梁橋式起重機

點擊放大
產品名稱:QD型電動雙梁橋式起重機
產品關鍵詞:QD型電動雙梁橋式起重機
產品描述:
QD型電動雙梁橋式起重機
詳細說明
本系列產品是全部采用國家標準制造的橋式起重機系列。整機結構新穎,造型美觀,工藝性好,操作靈活,安全可靠。
主要特點:
一、零部件標準化、系列化、通用化。
二、操縱室視野開闊,內社凸輪控制機構或聯動臺,操作靈活,工作舒適。還可根據要求加風扇,熱風器,冷風機、空調器、超負荷指示器、對講機等。
三、操縱室與走臺設有斜梯,方便操作及維修。增設了起重機供電維修平臺。
本起重機廣泛用機械加工車間、裝配車間、金屬結構車間、機械維修車間、冶金與鑄造車間以及各類倉庫的吊運工作等,還可配以多種專用吊具進行特殊作業,本起重機推薦使用環境—20℃~+40℃,相對濕度≤85%。


























